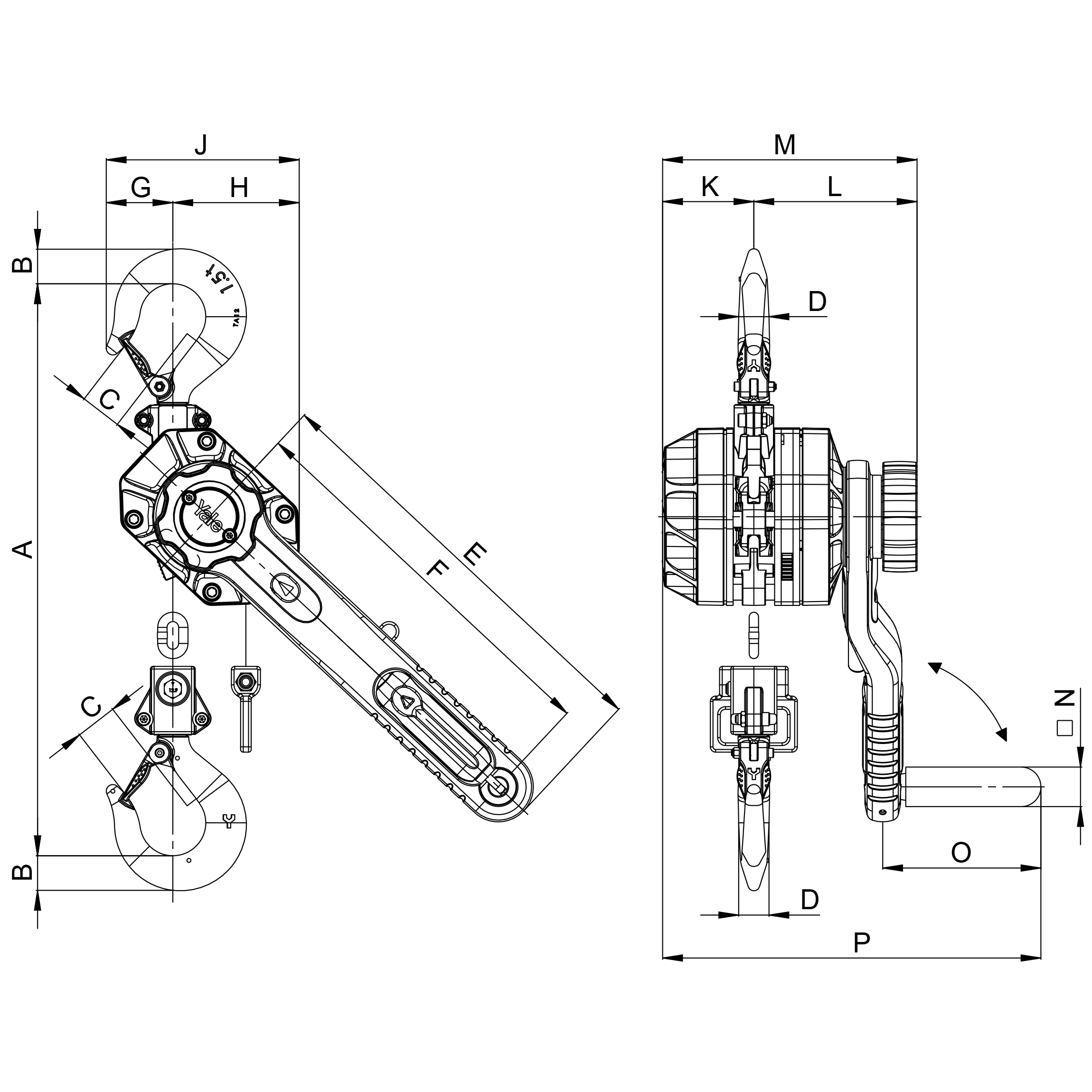
Produktbeskrivning
Spaklyftblock, typ ERGO 360® UT med säkerhetsspärr
- ergonomisk: låter användaren inta en säker och skonsam hållning
- patenterad: handspak med integrerat vikbart handtag möjliggör 360° vevrörelse med säker grepposition
- lätt: lyftkraften minskas med upp till 30%
- säker: säkerhetsspärren utlöses i händelse av fara; om en inställd hastighet överskrids aktiveras säkerhetsspärren automatiskt
- med överbelastningsskydd
Systemet fångar lasten på ett säkert sätt redan efter 25-50 mm, vilket förhindrar uppkomsten av större dynamiska krafter som kan orsaka ytterligare skador.
En annan viktig egenskap är möjligheten att lyfta när som helst - även efter att säkerhetsanordningen har utlösts i säkerhetsfallet.
Ett helt varv på handspaken i "lyft"-riktningen låser automatiskt upp säkerhetsanordningen. Den kan sedan återställas till sitt utgångsläge med en knapptryckning.





